Description structurelle
Control'X est un axe linéaire asservi en position. Il repose principalement sur les éléments matériels suivants :
- un PC qui fait tourner un logiciel de commande d'axe nommé Control'Drive ;
- une carte de commande ;
- une carte de puissance ;
- l'axe proprement dit : moteur, réducteur, poulies-courroie, chariot et codeur incrémental.
Le schéma ci-dessous met en évidence l'organisation structurelle et fonctionnelle des différents composants nécessaires à la mise en œuvre de l'asservissement de position.
Schéma-bloc
BF
En boucle fermée, le Control'X est asservi en position linéaire, son capteur principale est codeur incrémental du moteur.

BO


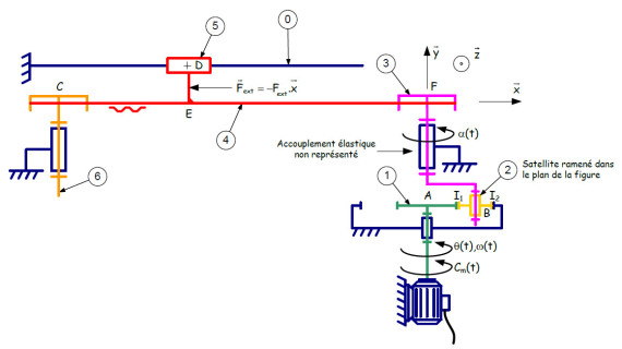
Schéma cinématique


Paramétrage des pièces
0 : bâti
1 : arbre moteur
2 : un des quatre satellites du réducteur
3 : poulie crantée en sortie de réducteur + le joint d'accouplement élastique (non représenté)
4 : courroie
5 : chariot
6 : autre poulie crantée
Chaîne d'information
Les capteurs du système didactisé sont les suivants :
- Capteur de tension en sortie de carte de commande, en entrée du variateur ;
- Capteur de tension moteur ;
- Capteur d'intensité moteur ;
- Génératrice tachymétrique moteur ;
- Capteur d'efforts exercés sur le chariot ;
- Règle magnétique ;
- Accéléromètre chariot.





